Heat Shrinkable Wire Connectors
It is suitable for dealing with shielded ground terminal and providing reliable protection. It is also used for embedded lead outgoing line, and convenient installation.
Powered by Froala Editor
FEATURES
• Shrinking percentage: 2:1
• Flame retardant
• It has gone external friction resistance and sealing performance.
• Transparent heat shrinkable tube provides accurate inspection function
• Drawing force (Welding fastness) ≥100N
Powered by Froala Editor
TYPICAL APPLICATIONS
Material data: PE
- Working temperature: -55℃ +125℃
- Initial shrinkage temperature: 85℃
- Perfect shrinkage temperature:135℃
Standard color: Blue
Powered by Froala Editor
Powered by Froala Editor
TECHNICAL DATA
Powered by Froala Editor
Powered by Froala Editor
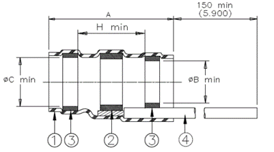
DIMENSIONS

| Part no. | Heat-shrink tube dimensions(mm) | Hot melt adhesive ring(mm) | Solder ring(mm) | Shielded wire(mm) | Standard colors | |||
| Inner diameter (ΦC) | Inner diameter (ΦB) | Length(A) | Space(H) | Width | A.W.G | Length | ||
| SHSS18-0030 | ≥3.00 | ≥2.50 | 24.5±0.5 | 12.00±0.5 | ≥2.50 | 22 | 165±5 | Blue |
| SHSS18-0048 | ≥4.80 | ≥4.30 | 29.3±0.5 | 14.00±0.2 | ≥4.30 | 22 | 165±5 | Blue |
| SHSS18-0067 | ≥6.70 | ≥6.00 | 32.0±0.5 | 15.00±0.2 | ≥6.00 | 22 | 165±5 | Blue |
| SHSS18-0073 | ≥7.30 | ≥6.40 | 32.5±0.5 | 16.00±0.2 | ≥6.40 | 22 | 165±5 | Blue |
| SHSS18-0092 | ≥9.20 | ≥8.70 | 35.5±0.5 | 17.00±0.2 | ≥8.70 | 22 | 165±5 | Blue |
| SHSS18-0115 | ≥11.50 | ≥10.00 | 35.5±0.5 | 18.00±0.2 | ≥10.00 | 22 | 165±5 | Blue |
| SHSS18-0150 | ≥15.00 | ≥13.00 | 45.5±0.5 | 22.00±0.2 | ≥13.00 | 22 | 165±5 | Blue |
Note:
1. Heat Shrink Tube
2. Solder ring
3. Hot melt adhesive ring
4. Shielded wire
Powered by Froala Editor
Powered by Froala Editor
Powered by Froala Editor
Powered by Froala Editor