ขั้วต่อหดหุ้มสายไฟ
ผลิตภัณฑ์ชนิดนี้เหมาะสำหรับจัดการกับขั้วต่อสายดินที่มีการป้องกัน การป้องกันที่เชื่อถือได้ นอกจากนี้ยังใช้สำหรับสายนำขาออกแบบฝังและติดตั้งสะดวก
Powered by Froala Editor
คุณสมบัติหลัก
• เปอร์เซ็นต์การหดตัว: 2:1
• กันไฟ
• มีความต้านทานแรงเสียดทานภายนอกและประสิทธิภาพการปิดผนึก
• ท่อหดด้วยความร้อนแบบใสใช้งานสะดวก
• แรงดึง (ความคงทนต่อการเชื่อม) ≥100N
Powered by Froala Editor
การใช้งานทั่วไป
ข้อมูลวัสดุ: PE
- อุณหภูมิในการใช้งาน: -55℃ +125℃
- อุณหภูมิการหดตัวเริ่มต้น: 85 ℃
- อุณหภูมิการหดตัวที่สมบูรณ์แบบ: 135 ℃
สีมาตรฐาน: สีฟ้า
Powered by Froala Editor
Powered by Froala Editor
ข้อมูลทางเทคนิค
ไม่พบข้อมูล
Powered by Froala Editor
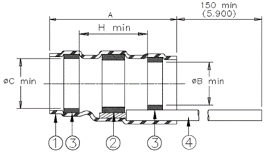
ขนาดของผลิตภัณฑ์

| รหัสผลิตภัณฑ์ | ขนาดท่อหดความร้อน(มม) | แหวนกาวร้อนละลาย(มม) | โลหะบัตกรี(มม) | สายคอนโทรลมีชีลด์ (มม) | สีมาตรฐาน | |||
| เส้นผ่านศูนย์กลาง ภายใน(ΦC) | เส้นผ่านศูนย์กลาง ภายใน(ΦB) | ความยาว (A) | ช่องว่าง (H) | ความกว้าง | A.W.G | ความยาว | ||
| SHSS18-0030 | ≥3.00 | ≥2.50 | 24.5±0.5 | 12.00±0.5 | ≥2.50 | 22 | 165±5 | สีฟ้า |
| SHSS18-0048 | ≥4.80 | ≥4.30 | 29.3±0.5 | 14.00±0.2 | ≥4.30 | 22 | 165±5 | สีฟ้า |
| SHSS18-0067 | ≥6.70 | ≥6.00 | 32.0±0.5 | 15.00±0.2 | ≥6.00 | 22 | 165±5 | สีฟ้า |
| SHSS18-0073 | ≥7.30 | ≥6.40 | 32.5±0.5 | 16.00±0.2 | ≥6.40 | 22 | 165±5 | สีฟ้า |
| SHSS18-0092 | ≥9.20 | ≥8.70 | 35.5±0.5 | 17.00±0.2 | ≥8.70 | 22 | 165±5 | สีฟ้า |
| SHSS18-0115 | ≥11.50 | ≥10.00 | 35.5±0.5 | 18.00±0.2 | ≥10.00 | 22 | 165±5 | สีฟ้า |
| SHSS18-0150 | ≥15.00 | ≥13.00 | 45.5±0.5 | 22.00±0.2 | ≥13.00 | 22 | 165±5 | สีฟ้า |
บันทึก:
1. ท่อหดความร้อน
2. โลหะบัตกรี
3. แหวนกาวร้อนละลาย
4. สายคอนโทรลมีชีลด์
Powered by Froala Editor
Powered by Froala Editor
Powered by Froala Editor
Powered by Froala Editor
Powered by Froala Editor